
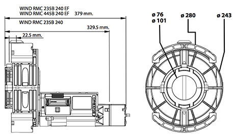
Motoreductor electromecánico marca BFT modelo WIND RMC 235B EF. Recorrido máximo de 6m. Disponible en 220v. Con corona de aluminio para cortinas enrollables compensadas o equilibradas con ejes de 76mm y poleas de 240mm de diámetro. Par máximo 235nm. Finales de carrera de fácil regulación, electrofreno con mecanismo de desbloqueo con cable de acero y pomo.